0

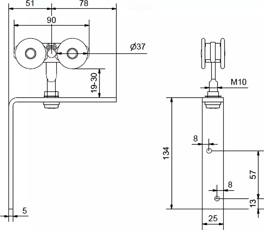
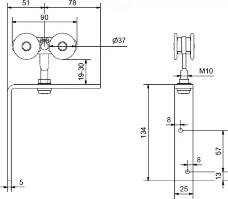
The Henderson 52K hanger for 290 track suits Timber doors.

  • Door Thickness - 35 - 48mm
  • Max Panel Height - 3000mm
Product 52K/N 52K/S 52K/S200
Wheel Material Nylon Steel Steel
Max Panel Weight 150kg 150kg 200kg
Specification:

0 ITEM
×