0

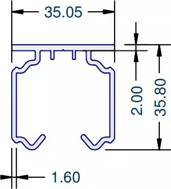
Code: WC984

Suitable for sliding wardrobes, passage doors and room dividers.

  • Max panel weight - 65kg
  • Clip stop
  • Sold in pairs
Excl Incl

$36.55 NZD excl GST

each

0 ITEM
×